中華製 SI5351A 実働テスト
<カテゴリー:DDS>
私が、インターネットで最初にその存在を知ったのは2015年ごろで、10年前の事でした。 当時デジタルVFOと言えば、アナデバのDDSが一般的で、シリコンラボのこのICに注目する人は少なかったと見え、あのRSでMOQ5で750円(1石150円)で売られていました。当時、秋月では確か150円か200円だったと思いますが、2016年にRSで150円で調達したこのICは、自作の無線機に欠かせない存在になってしまい、2025年5月時点で、秋月でも320円で販売されています。 一方、安売りの中国市場での価格は円安の影響もあり、シリコンラボオリジナル品が1pcs 200円以上しています。
昨年の夏から製作を始めたZ Match ATUの部材を通販で中国から買うとき、買い物合計金額の集計中に後300円以上購入すると、送料無料と表示されます。 一応欲しい物は全部買い物かごにいれ終わり、送料が300円くらい計上されている状態なので、つい、何か300円程度の物はないかと探すと、SI5351Aが5石で350円(現在でも存在しています)というのが目に留まりました。 1石70円換算です。 中華製のブランド名で売られていますが、「オリジナル」と書いてあり、本物とほぼ同じ捺印がされた写真まで付いています。 どうせ、シリコンラボのコピー品の「オリジナル」だろうと思いましたが、送料がタダになるのなら、失敗しても損はないとこれを購入したのが10か月前。
やっと、このICがちゃんと使えるのか検証する事ができましたので、レポートします。
使ったPICマイコンはPIC24FV32KA302という16bit品で私の部品箱には数石在庫がありましたので、これでSI5351Aをコントロールする事にしました。 いつもの通り、25MHzのクリスタルの半田付けには苦労しましたが、とりあえず動きだしましたので、過去シリコンラボの正規品のデータが残っている17MHzと24MHzのスプリアスのテストをおこないました。
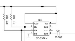
このテスト基板は、SI5351Aのほかに、SPIドライブのLCD表示や、SWR計のテストも出来るようにしてありますので、余計な部品がいっぱいついていますが、実際に動作しているのは添付している配線図の範囲だけです。
上の周波数表示は17MHzを発生させたときの周波数カウンター表示ですが、目標の17MHzに対して390Hzの誤差ですが、この数値は、簡単に校正できますので、表示がチラつかないという事だけが確認になります。 そして、過去のSDRトランシーバーでも問題となったスプリアスです。
左上が17MHz、右上が24MHzの中華製ICのスペクトルデータで、左下及び右下のデータがシリコンラボ正規品のスプリアスになります。
17MHzの±1MHzくらいにあるスプリアスがシリコンラボ純正より約5dBほど高くなっています。また、CNが6dBほど悪くなっています。 この状態では18Mhz以下の送信機にはギリギリセーフですが21MHz以上の送信機では不適合となってしまいます。 送信機に使いたいときは14MHz及びそれ以下のバンドならOKと思われます。 後日、7MHzのAM送信機に使ってみるつもりです。
左は中華製の17MHzと24MHzを同時に発生させた時の、17MHz側のスプリアスを見たものですが、24MHzのスプリアスがそのまま出ている状態で、2波同時発生は不可との結論です。 このレベルはシリコンラボのオリジナル品と同等です。
これらの結果から、簡易型のSSGくらいにしか使えませんね。SSGのスプリアスレベルは-30dBくらいから製品化されていますので。
この実験に使った配線図 SI5351A_test_CN.sch.pdfをダウンロード
テストに使ったプログラム S15351A_CN_copy.cをダウンロード
このテスト用プログラムの中には、SPIドライブのLCD表示プログラムも含まれておりますが、今回はテストの対象にはしていません。
この確認を終えた後、私の不注意でICを壊してしまい、交換する事になりました。 しかし、残り4個のICのクリスタルが発振しません。 半田付けの異常がないか全部3時間もかけてチェックし異常はありません。 最初の1個だけが正常に発振し、この記事のごとく動作確認もできたのですが、クリスタルが発振しない状態でCLK0にはFM変調のかかった目的周波数の数分の一の矩形波が見えるのが2個、全く反応なしが2個。 結局実用にはなりませんでした。 秋月から購入した基板完成品に取り換える事にします。
秋月から買った組み立て済みの8Pinボードにのったシリコンラボオリジナルの発振回路が時々、発振しません。 発振しない時は、オンボードの水晶も発振していません。 電源Swを切ってすぐにONするとOKなのですが、電源OFF後10秒くらい経ってからONするとNGになります。 どうも電源の立ち上がりに問題がありそうで、電源回路に入っている100uFのコンデンサを2200uFに変更したらOKとなりました。
ここで、問題が浮上してきました。以前水晶が発振しないと、ゴミ箱に捨てた中華製のICはほんとうはIC自体は問題なく電源がNGだったのでは? ゴミ箱から捨てたIC4個を回収しました。
この回収品のVDDとGND間の抵抗を測ったところ、3個が正常品と同じ約250Ω、1個が120Ωでした。 120ΩのICは多分私が壊した物でしょう。ちょうど、この日、秋月から買った前述のモジュールのICを壊してしまいましたので、これを中華製のICに交換してみました。
ラッキー。ちゃんと中華製のICでも発振し、7195KHzを発振していました。 残り2個はまだチェックしていませんが、多分OK!
このXtalが発信しない原因がわかりました。ICのVDDOとVDDは外部で同電位の電源ラインに接続するのですが、今回前述の配線図通り、一方の端子にのみフェライトビーズを挿入したので、電源の立ち上がりのタイミングが狂ってしまい、発振しなかった事が原因でした。
左の回路図の通り、例えビーズを挿入するにしても二つの電源端子は直結する事で解決しました。








