銀河撮影専用カメラ(バルクモード用リモコン)
カテゴリ<天体写真 ポータブル赤道儀 自作 ステッピングモーター アンドロメダ銀河 PETAX KS!>
PENTAX K20DのNRオフが出来ない仕様にいやけがさして、星空専用に使える中古の安いカメラがないかヤクオクをチェックしていると、KS1がレンズキット状態(18-55mmズーム,55-300mmズーム付き)で出品されていました。 このカメラはふたつのNR機能をOFFにでき、CMOSセンサーもK3に次ぐピクセル数です。 ただし、KS1は黒死病を発生する可能性が多いという口コミがありますが、どうせ、バルクモードでマニュアル操作でしか使わないので問題ないだろうと、落札しようとしたら、昼間見た時の価格より1000円値下がりしており、16000円台でそのまま落札。 よっぽど買い手がつかないみたい。
現物が届いて、オート状態でファインダーを覗いてシャッターを切ると、問題ないのですが、ライブビュー状態の場合、まさしく、黒死病の症状でした。 ただし、ライブビューの状態でも3回くらい撮影すると直っていました。 多分、内臓電池の電圧が少し下がったのが影響しているのかも知れません。 そのうち、ファインダーを覗いても黒死病が発生するようになりましたが、マニュアルモードにすると、異常が無くなる事を確認出来ましたので、星空撮影専用機に向けて、準備を開始しました。
まずはレリーズですが、K20Dに有った有線でのレリーズ端子が無く、赤外線リモコンオンリーです。 自作のポータブル赤道儀コントローラーからシャッターON,OFFの切り替えが出来るように、リモコンと、赤道儀のコントローラーの改造から始めます。
アマゾンでKS1でも使えるリモコン互換機が送料無料、400円弱で売られており、これを2個購入。1個はバラして改造。もう1個はK20D用です。
インターネットで同じような事をしている人がいないか検索すると、いらっしゃいました。 外装の表示は同じでは有りませんでしたが、中を開けると、全く同じプリント基板でした。 TKS.
次に夜間に部屋の照明を全部消し、カメラのレンズを約50cm離れた壁に向け、カメラと同じ位置から壁に向かってリモコンを操作してバルクモードで約5秒間シャッターONしたときと、同じカメラ位置でシャッターボタンを直接約5秒間ONした時の撮影結果を比較してみました。
下の左側がシャッターボタンを指で押した時、右側がリモコンでシャッターをONした時の画像です。 リモコンの赤外線が回り込んで、画像に残るのではないかと心配した為、行った実験でしたが、問題無いようです。
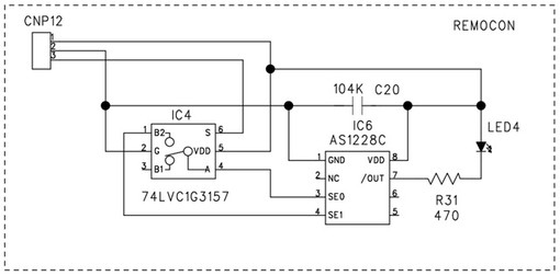
リモコンの改造は、リモコンに付いているプッシュSWの代わりに、アナログSWのIC (74LVC1G3157)をつなぎ、赤道儀コントローラーから3.3Vの電源とアナログSWのON信号(3.3V)を送る3線式ケーブルを取り付けることと、余計な赤外線が乱反射しないように赤外線の出力を可能な限り絞ること、この接続用ハーネスのプラグを通電中に誤って抜き差しした時に起こる線間ショートでも赤道儀の電源回路や赤外線発光回路の故障が発生しないようにプロテクト機能を追加することです。
まず、赤外線の出力を絞る為、赤外LEDに直列に470Ωを追加し通常100mA以上の電流を約3mAまで小さくしました。
分解して改造したリモコン基板にアナログSW用のICを乗せた変換基板を接着し、3pinのコネクターも基板に接着、また、LEDの角度を90度曲げて、カメラの受光窓を向く様に修正しました。 このLEDの足の部分に接着剤を流し込み、LEDに外部から力が加わっても簡単に壊れないようにしました。 使用した瞬間接着剤はセメダイン3000番。 この接着剤は60年以上前から存在するのですが、ホームセンターで発売されるようになったのは最近からですかね。 ゼリー状の為、凸凹した物どうしを接着するには好都合です。
上の写真は、カメラと雲台の間に挟むようにした厚さ0.3mmのブリキの板を加工し、改造が終わったリモコン基板をアングルに括り付け、LEDがちょうどカメラの受光部に向くように調整した時のものです。
カメラの設定の変更です。 このリモコンはボタンを押し続けても、最初の一回しかコードを発射しません。 従い、カメラのCカスタムメニューでシャーターON信号を受けたら、シャッター開放し、次に同じリモコンコードを受信したらシャッターを閉じるモードに設定します。
まだ、コントローラーのプログラム変更が出来ていませんので、3.3Vの電源と押している間だけ3.3Vの電圧が発生するタクトSWが付いた簡単な回路を作り、ケーブルを接続して、動作テストを行うと、思った通りのシャッターON/OFF動作が行える事を確認できました。
一応、もくろみ通り完成しましたので、リモコン基板がむき出しでは壊れる可能性が有る為、基板自体を熱収縮チューブで覆う事にします。
次に、赤道儀コントローラーの回路の改造です。 コントローラーから送信されるレリーズ信号を連続ではなく、シャッターを開閉するたびにワンパルスの信号を送信するようにプログラムを変更しますが、従来、シャッターが開放時は緑色のLEDが点灯するようにしていましたので、このLED点灯用に専用のマイコンI/Oを割り当てました。
また、プラグの抜き差しによる線間ショートの対策として、赤道儀側の3.3V電源ラインに47Ωの抵抗を直列に入れ、3.3VのLDO(3端子レギュレーター)が壊れるのを防止します。リモコン基板側はショートしても壊れる部品はありませんでした。
コントローラーの回路図 peq_mount_for_ks1.pdfをダウンロード
コントローラーのプログラムの変更です。以前、ドリフト法による極軸合わせ機能を追加したプログラムをKS1専用に改造します。 このKS1で星空を撮影できるようになりましたら、K20Dで星空を撮影する事はありませんので、問題なしです。
リモコンのプッシュSWをどのくらいの時間ONしたら、赤外線の信号が発射されるのか調べたら、50msec以上あれば良い事が判りました。 一方、リモコンから赤外線信号が発射されてから、カメラがそのコードを認識するまでの時間遅れがありますが、その遅れる時間は判りません。 さらに、リモコンでシャッターONを認識してから、ミラーアップを行い、実際に露光開始までの時間も不明です。 これらのディレー要素を全てひっくるめてインターバルタイマーで設定した時間だけ、シャッターが開放されるよう、コントローラーから送信される、シャッターON/OFFのタイミングをカットアンドトライで見つける事にしました。 その結果、シャッターON/OFFのパルスの長さは0.1秒とし、その発射ルーチンの位置をプログラムの中で微調整した結果、インターバルタイマーが指定した時間通り、シャッターオープン時間が得られるようになりました。 実際にどれだけの時間シャッターが開放されたかは、RawTherapeeのアプリで確認できます。
K20Dで問題となったインターバル時間ですが、KS1の取説や他の資料を読んでいるとき、最低のインターバル時間は1秒と記述が有ったような記憶ですが、再度読み直しても、その記述が見つかりませんでした。ここは、新しい情報が見つかるまでは、 問題の起きていない2秒のインターバルで継続します。
動作確認できたPICのプログラムは以下です。
赤道儀本体プログラム PEQ_Mount_KS1_v100.cをダウンロード
ヘッダーファイル Font9.hをダウンロード
次の課題は外部電源です。 別売の外部電源はACアダプター式で星空の撮影には使えませんので、DCカプラーと呼ばれるダミー電池とこれに外部DC電源から規定の電圧を供給するDCDCコンバーターとそれに付随するケーブルが必要になります。 まず、外部電源からの供給電圧ですが、取説には充電器の出力電圧は記載していないので、純正の充電器からフル充電したばかりの電池の電圧を測ってみる事にしました。 KS1の場合、8.83Vでした。 ちなみに、K20Dの場合、8.35Vでした。
という事は、中華製の5V USB端子から、8.4VをDCDCコンバーターで昇圧しDCカプラー経由でカメラに供給するKitが売られていますので、これを調達する事にします。 赤道儀のコントローラーには8.3VのDC出力がありますので、DCDCコンバーターは不要なのですが、ケーブルが欲しいので、DCDCコンバーター付きを手配しました。






